客户服务热线:021-60833876
联系我们/ CONTACT US
全国免费客服电话 021-60833876
上海承谨液压有限公司

邮箱:hongkui.li@kl-tools.com

手机:17621390643

地址:上海市闵行区元江路5500号第1幢

您的位置:首页 > 产品 > > 超高压电动泵

超高压电动泵

超高压电动泵EPW2500F60

发布时间:2026-05-27 17:06:04 人气:3987

技术参数

电压380VAC

电机功率3KW

油箱容量60L

最高压力250MPa

高压流量0.7L/Min

不含油重量105KG

性能特点

按钮启动加压按钮控制电磁卸荷

标配两路125超高压接头

电控箱配置缺相保护过载保护

配置风冷散热器

外置调压阀

高效保压结构停机保压

无刷电机免维护

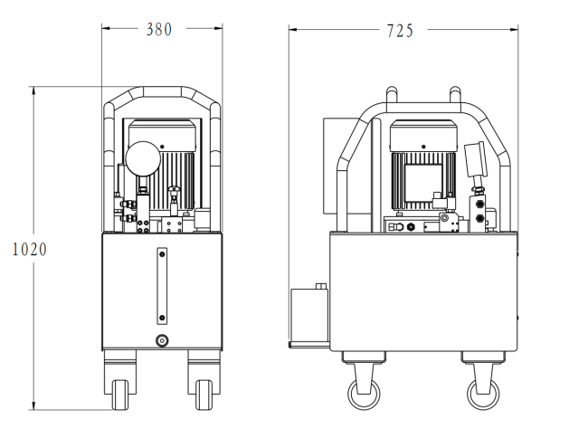
外形尺寸图

标签:

上一篇:暂无资料

下一篇: EPW系列超高压泵

相关推荐