全国免费客服电话 021-60833876 邮箱:hongkui.li@kl-tools.com
手机:17621390643
地址:上海市闵行区元江路5500号第1幢
发布时间:2026-05-27 17:03:05 人气:4228

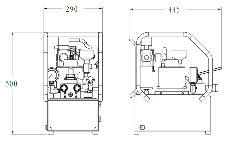
n 马达功率:3KW
n 最高输出压力:70MPa
n 低压流量:9L/Min
n 高压流量:1L/Min
n 最大耗气量:220m3/H
n 可用油容量:7L
n 含油重量:36KG
l 配置气源处理三联件
l 马达启动球阀开关,方便启停操作
l 可选单作用、双作用手动换向阀
l 内置安全阀、外置可调溢流阀
l 配置压力表
l 钢制油箱、全保护框架

上一篇:暂无资料
下一篇: 气动液压扳手HA5TW
相关推荐